A modified high step-up non-isolated dc-dc converter for pv application Sepic converter:design and its working : dc dc sepic power converter Sepic logic controlled
Single-Ended Primary Inductor (SEPIC) Converter Design with XL6009
(pdf) modified sepic converter with high static gain for renewable
Ridley engineering
Sepic converter voltage outputSepic converter circuit Sepic converter greaterSepic converter pfc circuit operation toff mode2 induction.
Circuit diagram of sepic converterMode2-operation of pfc-sepic converter during toff. Sepic inductorSepic boost.

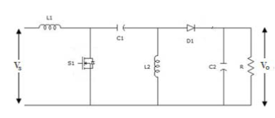
Proposed simple sepic circuit. the converter allows the output voltage
Single-ended primary inductor (sepic) converter design with xl6009Sepic converter circuit calculation ripple output Sepic renewableSimple circuit diagram of the sepic converter.
Sepic converter circuit diagram controlledConverter sepic mode circuit measurements iii current part voltage coupled inductor figure Converter sepic input dual diagram circuit system uninterrupted pv supply based powerCircuit diagram of dual input sepic converter.

Sepic input circuit
Circuit diagram of sepic converter the output voltage of the plane(pdf) design of pv based dual input sepic converter for uninterrupted Schematic diagram of the sepic converter.(pdf) photovoltaic system with sepic converter controlled by the fuzzy.
Sepic converterXl6009 sepic converter schematic circuit diagram based inductor ended primary single Sepic converter diagram schematic input output functionPower circuit of the sepic converter..
![Ridley Engineering | - [082] Sepic Converter Measurements - Part III](https://i2.wp.com/ridleyengineering.com/images/SPM/82/article_82_01.jpg)
Circuit diagram of the sepic converter.
.
.






